新聞資訊NEWS CENTER
聯系我們CONTACT US
公司:美國富萊克(FLECK)控制閥
電話:010-52851405/6/7/8
手機:15010961601
郵箱:bjyst2008@163.com
地址:北京市通州區輕紡服裝服飾園區
電話:010-52851405/6/7/8
手機:15010961601
郵箱:bjyst2008@163.com
地址:北京市通州區輕紡服裝服飾園區
富萊克FLECK3210型計時器有哪些用處?
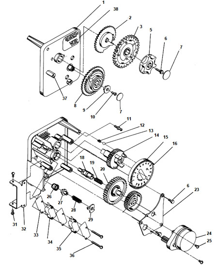
富萊克FLECK3210型計時器有哪些用處?多少錢一個?FLECK3210與FLECK3200、FLECK3100都屬于富萊克控制閥配件,又名“控制面板”、“定時器”、“計時器”。FLECK3210型計時器是富萊克軟化流量型控制閥面板,整個計時器由許多小配件組成,在控制閥占據重要位置。
FLECK3210型計時器組件:
上一篇:電子式富萊克FLECK9500控制閥性能咋樣?
下一篇:FLECK2900富萊克控制閥上下活塞總成說明
FLECK3210型計時器組件:

3210計時器組件中i小配件購買,請提供上圖中對應的編號。
富萊克控制閥配件:
時間電機、程序電機、活塞、O型圈、格珊、上下齒輪、中間齒輪、吸鹽總成、鹽閥、上下布水器、電源適配器、控制面板及面板配件、流量計及流量計配件等。
FLECK是世界上最早生產全自動軟化水處理設備控制裝置的廠家之一,富萊克公司的產品產值連續數年來在全世界同行業中處于領先地位,FLECK控制閥更成為水處理行業廣泛使用的產品。
現今宇思特水軟化水公司憑借多年的實踐經驗和專業技術,推出FLECK全自動軟水器的故障維修及控制器的配件更換服務,為廣大用戶解除后顧之憂,提供更完善的服務。
富萊克控制閥配件:
時間電機、程序電機、活塞、O型圈、格珊、上下齒輪、中間齒輪、吸鹽總成、鹽閥、上下布水器、電源適配器、控制面板及面板配件、流量計及流量計配件等。
FLECK是世界上最早生產全自動軟化水處理設備控制裝置的廠家之一,富萊克公司的產品產值連續數年來在全世界同行業中處于領先地位,FLECK控制閥更成為水處理行業廣泛使用的產品。
現今宇思特水軟化水公司憑借多年的實踐經驗和專業技術,推出FLECK全自動軟水器的故障維修及控制器的配件更換服務,為廣大用戶解除后顧之憂,提供更完善的服務。
上一篇:電子式富萊克FLECK9500控制閥性能咋樣?
下一篇:FLECK2900富萊克控制閥上下活塞總成說明